Demand Switches
Mains disconnect devices
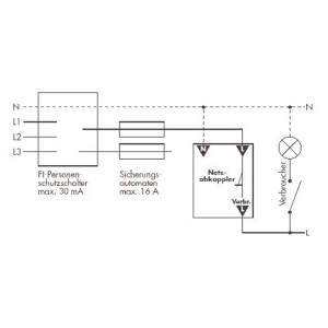
Mains disconnect devices (automatic mains disconnect switches) are often one of the most effective and at the same time cost-efficient measures in a home environment when dealing with electrosmog exposure caused by low-frequency electric alternating fields. They are installed in the fuse box and automatically switch the downstream wiring de-energized when no power is needed—so electric fields from live wiring cannot arise in the first place. In building biology, this solution is considered a clear recommendation.
Gigahertz Solutions relies on multiple patented circuit designs that provide a decisive advancement compared to many commonly available “mains disconnect switches” or “field disconnect switches”.
The key benefits of our mains disconnect devices
- Guaranteed minimal residual ripple (crucial from a building biology perspective).
- VDE mark for tested safety (NA series).
- Simple, cost-effective installation thanks to innovative circuit technology.
- High user comfort even with “difficult” loads.
- Includes a system control indicator for functional monitoring and a mains filter against dirty power.
- Surge protection for the circuit as a beneficial side effect (metal-oxide varistor).
- Available immediately
-
Delivery time: 1 - 3 Workdays (DE - int. shipments may differ)
- Available immediately
-
Delivery time: 1 - 3 Workdays (DE - int. shipments may differ)
- Available immediately
-
Delivery time: 1 - 3 Workdays (DE - int. shipments may differ)
- Available immediately
-
Delivery time: 1 - 3 Workdays (DE - int. shipments may differ)
- Available immediately
-
Delivery time: 1 - 3 Workdays (DE - int. shipments may differ)
- Available immediately
-
Delivery time: 1 - 3 Workdays (DE - int. shipments may differ)
- Available immediately
-
Delivery time: 1 - 3 Workdays (DE - int. shipments may differ)
- Available immediately
-
Delivery time: 1 - 3 Workdays (DE - int. shipments may differ)
- Available immediately
-
Delivery time: 1 - 3 Workdays (DE - int. shipments may differ)
How to get the most out of your mains disconnect device
A mains disconnect device works exactly where many exposures originate: in the circuit itself. As soon as the last load is switched off, the mains voltage in the affected circuit is interrupted—and reconnected when needed. This reduces low-frequency electric alternating fields caused by live wiring, without requiring you to change your daily routine.
Accessories, functional monitoring & power quality
In practice, the details often matter: a system control indicator helps with functional monitoring in the protected circuit. In addition, a mains filter can improve power quality and help with supply-side interference (“dirty power”). Depending on the application, a base-load element can also be useful.
Which option is right for you?
If you want to select the right device variant, use our decision aid (for device selection). For accessories, we recommend checking the product descriptions and compatibility notes directly in the accessories category.
